继电器

固态继电器(SSR)
固态继电器,英文SOLID STATE RELAY,简称SSR,它们使用固态元件(如BJT、晶闸管、IGBT、MOSFET和TRIAC)来执行开关操作。
固态继电器的功率增益远高于机电继电器,因为与机电继电器要控制的功率(开关输出)相比,所需的控制能量(为控制电路供电)要低得多,所以固态继电器可以设计用于交流和直流电源。由于没有机械触点,固态继电器具有很高的开关速度。

原理
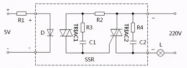
固态继电器有三部分组成:输入电路,隔离(耦合)电路和输出电路。
- 输入电路:分为直流输入、交流输入、交直流输入。
- 隔离电路:分为光电耦合、变压器耦合。常见为光电耦合。
- 输出电路:分为直流输出、交流输出、交直流输出等。

输入端

输出端

优点
- 高寿命、高可靠:固态继电器没有机械零部件,由固体器件完成触点功能,由于没有运动的零部件,因此能在高冲击,振动的环境下工作,由于组成固态继电器的元器件的固有特性,决定了固态继电器的寿命长,可靠性高。
- 灵敏度高,控制功率小,电磁兼容性好:固态继电器的输入电压范围较宽,驱动功率低,可与大多数逻辑集成电路兼容不需加缓冲器或驱动器。
- 快速转换:固态继电器因为采用固体器件,所以切换速度可从几毫秒至几微秒。
- 电磁干扰小:固态继电器没有输入“线圈”,没有触点燃弧和回跳,因而减少了电磁干扰。大多数交流输出固态继电器是一个零电压开关,在零电压处导通,零电流处关断,减少了电流波形的突然中断,从而减少了开关瞬态效应。
缺点
- 导通后的管压降大,可控硅或双向控硅的正向降压可达1
2V,大功率晶体管的饱和压降也在12V之间,一般功率场效应管的导通电阻也较机械触点的接触电阻大。 - 半导体器件关断后仍可有数微安(uA)至数毫安(mA)的漏电流,因此不能实现理想的电隔离。
- 由于管压降大,导通后的功耗和发热量也大,大功率固态继电器的体积远远大于同容量的电磁继电器,成本也较高。
- 电子元器件的温度特性和电子线路的抗干扰能力较差,耐辐射能力也较差,如不采取有效措施,则工作可靠性低。
- 固态继电器对过载有较大的敏感性,必须用快速熔断器或RC阻尼电路对其进行过载保护。固态继电器的负载与环境温度明显有关,温度升高,负载能力将迅速下降。
- 主要不足是存在通态压降(需相应散热措施),有断态漏电流,交直流不能通用,触点组数少,另外过电流、过电压及电压上升率、电流上升率等指标差。
相关内容
发热原因
固态继电器即在正常工作的时候,在其内部芯片上存在一定的功率损耗,这个损耗功率主要由固态继电器输出电压降与负载电流乘积决定,以发热的形式消耗掉。因此散热的好坏直接影响到固态继电器工作的可靠性,优良的热学设计可避免由于散热不良造成的失败和损坏。
过流过压
在继电器使用时,因过流和负载短路会造成SSR固态继电器内部输出可控硅永久损坏,可考虑在控制回路中增加快速熔断器、空气开关、予以保护型(选择继电器应选择产品输出保护,内置压敏电阻吸收回路和RC缓冲器,可吸收浪涌电压和提高dv/dt耐量)。
快速熔断器和空气开关,是通用的过电流保护方法来保护继电器内部芯片。快速熔断器可按额定工作电流的1.2倍选择,一般小容量可选用保险丝。特别注意负载短路,是造成SSR产品损坏的主要原因。
RC保护电路

感性及容性负载,除内部RC电路保护外,建议采用压敏电阻并联在输出端,作为组合保护。
金属氧化锌压敏电阻(MOV)面积大小决定吸收功率,厚度决定保护电压值。交流220V的SSR,选用MYH12-430V的压敏电阻;380V选用MYH12-750V压敏电阻;较大容量的电机变压器应选用MYH20或MYH2024通流容量大的压敏电阻。选用原则是220V选用500V-600V压敏电阻,380V时可选用800V-900V压敏电阻。
性能测试电路
一般情况下,万用表并不能判别SSR 的好坏,正确的方法应采用下图的测试电路。

关于漏电
先上结论,输出端为直流时,无漏电情况;输出端为交流时因内部并有RC电路,所以会有8ma以下的漏电情况。
控直流漏电测试:控制端不通电,即被控制端(直流)为断开状态,万用表DC电流档为负载,无电流通过。
控交流漏电测试:控制端不通电,带通电指示灯的插排为负载(当灯泡用),插排指示灯亮,插排电压为190v-220v;在插排上插手机充电器一个,插排指示灯灭,插排电压为7v-9v,手机充电器无法正常工作。
References:
IC先生